משמשת בעיקר לחיבור צינורות אנכיים במקביל לקירות, מאחזי יד, מעקות הולכה, ומעקות למניעת נפילה בחדרי מדרגות ורמפות העמסה.
התושבת יוצרת מרווח גדול יותר בין הקיר לצינור המותקן בהשוואה לתושבת 145.
תחתית המחבר סגורה ואינה מאפשרת לצינור לעבור דרכה. (ניתן להזמין בתוספת תשלום מחבר עם בסיס פתוח).
מק"ט: 245
נתונים ומידות
"A = 0.75" | C = 1.25" | D = 1.5
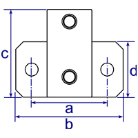
מידות
D48
A מ"מ
102
B מ"מ
145
C מ"מ
119
D מ"מ
75
E מ"מ
110
משקל בק"ג
1.96
יח' בקופסה
8



